• A1500.2Z - 导线和矫直辊
  • A1500.2Z - 导线和矫直辊
  • A1500.2Z - 导线和矫直辊
  • A1500.2Z - 导线和矫直辊

A1500.2Z - 导线和矫直辊

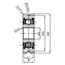
No.A1500.2Z A1500.2RS A1500ZZ

导线和矫直滚轮 - A1500.2Z A1500.2RS A1500ZZ

应用领域:
电缆、带材和电线的矫直过程分阶段进行,直至获得最终产品。为了使不同步骤之间的处理合理化,材料被存放在卷轴或线轴上,并采用非自然形状。

直径(毫米)
15
直径(毫米)
四十七
D1(毫米)
31
宽度(毫米)
11
厚度(毫米)
11
最大半径(毫米)
0.5
α(度)
90
R最小值(毫米)
0.6
铬(千牛)
7.6
C0r(千牛)
3.7
极限转速(rpm)
2Z 13000 2RS 6100
重量(克)
四十六
密封类型:
2Z
2RS
  • A1500.2Z - 导线和矫直辊
  • A1500.2Z - 导线和矫直辊

描述

导线和矫直滚轮 - A1500.2Z A1500.2RS A1500ZZ

应用领域:
电缆、带材和电线的矫直过程分阶段进行,直至获得最终产品。为了使不同步骤之间的处理合理化,材料被存放在卷轴或线轴上,并采用非自然形状。
因此,对于每个生产步骤,都需要执行逆过程,即将材料从其支撑物上取下。此时,矫直操作开始进行。它可以分为三个步骤:
矫直,包括将材料恢复到其原始形状。该操作由第一矫直辊执行。
消除由于卷绕在线轴上而产生的材料残余约束。此操作由位于矫直机中心部分的滚轮执行。
线材的成型由矫直机的最后一个辊筒进行,通常与第一个辊筒的角度成90°。

通常需要将这三个步骤结合起来。这就是为什么矫直机使用放置在两个平面上的 5、7、9、11 甚至 13 个滚轮的原因。
滚轮的制造精度对最终产品(线材)的质量以及滚轮的使用寿命有很大影响。因此,外圈上经过矫正的“V”形凹槽必须具有与轴承其余部分相同的几何特性和精度。因此,YITONG 滚轮上的凹槽在轴承组装前经过精密加工。
在组装好的标准轴承上磨削该凹槽是有风险的,因为轴承可能会受损。因此无法保证可接受的均匀性和几何精度。滚轮的使用寿命会大大缩短,拉丝质量也会因此受到影响。
在众多使用导线器和矫直辊的应用中,一通已成功在专业拉丝公司领域中树立了自己的品牌,为轮胎行业生产钢丝绳。

以下机器使用相同类型的特殊滚筒:

• 玻璃纤维电缆加工机床(割草机)
• 弹簧制造机
• 金属线材加工机
• 卷绕、解绕和复卷机器
• 精细、高精度的拉丝
一通配备了生产此类轴承所需的所有必要工具。